KA2507
WIDE BAND ANALOG SWITCH FOR MONITORS
WIDE BAND ANALOG SWITCH
24-SDIP-300
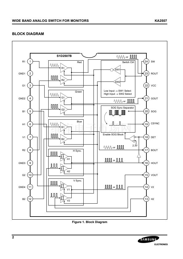
The device has internal switches for switching
between wideband R/G/B signals and H/V Sync.
also, has an internal Sync. Seperator.
INTRODUCTION
鈥?Video Input Switch for High-End Color Monitor
鈥?5V Power Supply Voltage Operating Condition
鈥?WideBand R/G/B Video Switch (~300 MHz)
鈥?0.7Vpp R/G/B Video Input (typ.)
鈥?TTL H/V Sync. Input
鈥?Schmitt-Trigger Input Design for H/V Sync.
鈥?Sync. Separator for SOG (Sync On Green) Input
鈥?24-SDIP-300 Package
ORDERING INFORMATION
Device
KA2507
Package
24-SDIP-300
Operating Temperature
-25
擄C
~ +75
擄C
FEATURES
鈥?/div>
鈥?/div>
鈥?/div>
鈥?/div>
鈥?/div>
鈥?/div>
鈥?/div>
鈥?/div>
Total Current: 27 mA
f-3dB Band Width: 300 MHz
R/G/B Voltage Gain: -1.0 dB
R/G/B Maximum Output Level: 2.4 Vpp
Channel Crosstalk 10 MHz: -40 dB
Channel Crosstalk 100 MHz: -30 dB
Input Crosstalk 10MHz: -40 dB
Input Crosstalk 100MHz: -30 dB
1
next
S1D2500A相關(guān)型號PDF文件下載
-
型號
版本
描述
廠商
下載
-
英文版
WIDE BAND ANALOG SWITCH FOR MONITORS
-
英文版
WIDE BAND ANALOG SWITCH FOR MONITORS
SAMSUNG [S...
-
英文版
WIDE BAND ANALOG SWITCH FOR MONITORS
-
英文版
WIDE BAND ANALOG SWITCH FOR MONITORS
SAMSUNG [S...
-
英文版
R/G/B VIDEO AMPLIFIER WITH OSD INTERFACE FOR MONITORS
-
英文版
R/G/B VIDEO AMPLIFIER WITH OSD INTERFACE FOR MONITORS
SAMSUNG [S...
-
英文版
R/G/B VIDEO AMPLIFIER FOR MONITORS
-
英文版
R/G/B VIDEO AMPLIFIER FOR MONITORS
SAMSUNG [S...
-
英文版
DEFLECTION PROCESSOR FOR MULTISYNC MONITORS
-
英文版
DEFLECTION PROCESSOR FOR MULTISYNC MONITORS
SAMSUNG [S...
-
英文版
3-Channel RGB Video Pre Amp,IIC Bus Control,Half Tone,Bright...
-
英文版
175MHz,448 font,IIC Bus Control
-
英文版
VIDEO AMP MERGED OSD PROCESSOR FOR MONITORS
-
英文版
VIDEO AMP MERGED OSD PROCESSOR FOR MONITORS
SAMSUNG [S...
-
英文版
I2C BUS CONTROLLED R/G/B VIDEO AMPLIFIER
-
英文版
I2C BUS CONTROLLED R/G/B VIDEO AMPLIFIER
SAMSUNG [S...
-
英文版
3-Channel RGB Video pre-amp,Half-tone,80MHz OSD input,Bright...
-
英文版
WIDE BAND ANALOG SWITCH FOR MONITORS
-
英文版
WIDE BAND ANALOG SWITCH FOR MONITORS
SAMSUNG [S...
-
英文版
DEFLECTION PROCESSOR FOR MULTISYNC MONITORS