Color TFT LCD Driver
MN838850
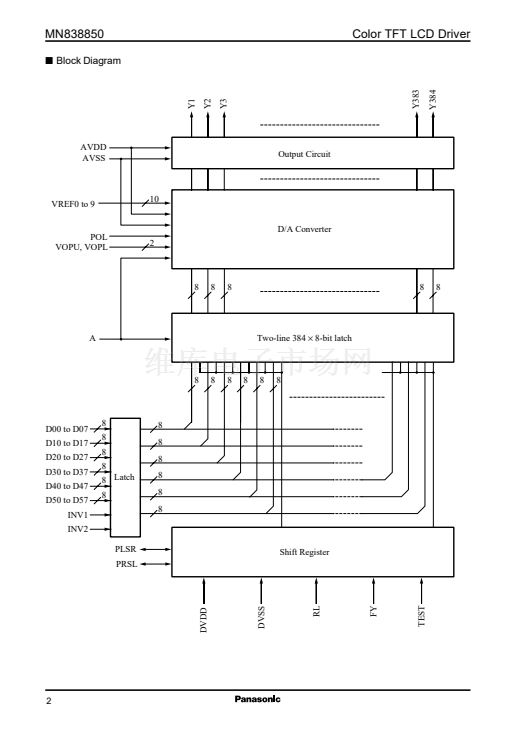
Source Driver for LCD Panel Drive
s
Overview
The MN838850 converts digital display data from a personal computer or an engineering workstation to analog signal
voltages to allow those signals to be displayed on a color TFT LCD panel.
s
Features
鈥?/div>
Includes a built-in D/A converter and accepts 8-bit digital input data for 16.7-million color display.
鈥?/div>
Output dynamic range: 14.6 V
P-P
(when AVDD = 15 V)
鈥?/div>
Supports both dot inversion drive and source inversion drive schemes.
鈥?/div>
Number of drive outputs: 384
鈥?/div>
Input data bus: acquires two pixels at the same time
鈥?/div>
Supports control of data inversion at each clock cycle.
鈥?/div>
Supports
緯
correction.
鈥?/div>
Adopts a drive scheme that does not require precharging.
鈥?/div>
Allows serial cascade connection.
鈥?/div>
The clock is automatically stopped after the acquisition of a fixed amount of data.
鈥?/div>
The shift register shift direction can be set to be either left-to-right or right-to-left.
鈥?/div>
Digital circuit block features low-voltage operation:
2.7 to 3.6 V
鈥?/div>
Maximum operating clock frequency:
50 MHz (3.1 to 3.6 V), 40 MHz (2.7 to 3.6 V)
s
Applications
next
MN838850相關(guān)型號(hào)PDF文件下載
-
型號(hào)
版本
描述
廠商
下載
-
英文版
Interface IC
ETC
-
英文版
Interface IC
ETC
-
英文版
Interface IC
ETC
-
英文版
Liquid Crystal Display Panel Source Driver
PANASONIC
-
英文版
Liquid Crystal Display Panel Source Driver
PANASONIC ...
-
英文版
Interface IC
ETC
-
英文版
LCD Driver Series
-
英文版
Source Driver for LCD Panel Drive
PANASONIC
-
英文版
Source Driver for LCD Panel Drive
PANASONIC ...
-
英文版
panasonic
-
英文版
CMOS LSI source driver for color TFT LCD panels
PANASONIC
-
英文版
CMOS LSI source driver for color TFT LCD panels
PANASONIC ...
-
英文版
LCD Panel Source Driver
PANASONIC
-
英文版
LCD Panel Source Driver
PANASONIC ...
-
英文版
TCP
panasonic