1 CHIP CLP SUBSYSTEM IC
S1T8527C
INTRODUCTION
48鈭扱FP鈭?010E
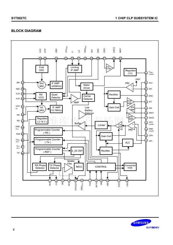
S1T8527C is a monolithic circuit which can be used in high
performance 60MHz MCA type CLP System. The S1T8527C is a
subsystem IC for FM / FSK receiving systems and a complete one chip
FM / FSK receiver IC for 60MHz system. It鈥檚 feature includes receiving
functions for FM / FSK systems, a compander to remove external
noise, and PLL ( Phase Lock Loop ) of channel selection which blocks
surrounding frequency interference.
The S1T8527C can be used with a wide range of FM / FSK VHF
bandwidth systems, including cordless phone, and the narrow band
voice and data sending / receiving systems.
To make applications easily and simply, peripheral parts are minimized.
FEATURES
鈥?/div>
鈥?/div>
鈥?/div>
鈥?/div>
鈥?/div>
鈥?/div>
鈥?/div>
Operating voltage range: 2.0V 鈥?5.5V
Typical supply current: 13.5mA at 3.6V
Built鈭抜n low battery detection function ( selectable 3.45V, 3.3V, 3.0V, 2.2V, 2.1V )
Built鈭抜n speaker amplifier
Built鈭抜n splatter filter
Built鈭抜n dual conversion receiver, compander and universal PLL
FM Receiver
鈥?Complete dual conversion circuit
鈥?Excellent input sensitivity (0.7碌Vrms at 12dB SINAD)
鈥?/div>
Compader
鈥?Easy gain control to use external component
鈥?Included ALC (Automatic Level Control) circuit
鈥?Included Mute logic
鈥?/div>
Universal PLL
鈥?RX (TX) divided counter range: 1/16 鈥?1/16383
鈥?Reference frequency divided counter range: 1/16 鈥?1/4095
鈥?Lock detector signal output
鈥?Serial interface with MCU for controlling each block
ORDERING INFORMATION
Device
S1T8527C01-Q0R0
Package
48鈭扱FP鈭?010E
Operating Temperature
鈭?0擄C
鈥?+ 70C
擄
1
next
S1T8527C01-Q0R0相關(guān)型號PDF文件下載
-
型號
版本
描述
廠商
下載
-
英文版
SPEECH NETWORK WITH DIALER INTERFACE
-
英文版
SPEECH NETWORK WITH DIALER INTERFACE
SAMSUNG [S...
-
英文版
ENHANCED-1 CHIP CT0 RF IC
-
英文版
ENHANCED-1 CHIP CT0 RF IC
SAMSUNG [S...
-
英文版
WIDEBAND FM/FSK IF RECEIVER
-
英文版
WIDEBAND FM/FSK IF RECEIVER
SAMSUNG [S...
-
英文版
UNIVERSAL SPEECH NETWORK
-
英文版
UNIVERSAL SPEECH NETWORK
SAMSUNG [S...
-
英文版
1.1GHZ DUAL PLL
-
英文版
1.1GHZ DUAL PLL
SAMSUNG [S...
-
英文版
FM IF RECEIVER
-
英文版
FM IF RECEIVER
SAMSUNG [S...
-
英文版
FM IF RECEIVER WITH RSSI
-
英文版
FM IF RECEIVER WITH RSSI
SAMSUNG [S...
-
英文版
FM IF RECEIVER FOR FLEX PAGER
-
英文版
FM IF RECEIVER FOR FLEX PAGER
SAMSUNG [S...
-
英文版
FM IF RECEIVER FOR FLEX PAGER
SAMSUNG [S...
-
英文版
1 CHIP CLP SUBSYSTEM IC
-
英文版
1 CHIP CLP SUBSYSTEM IC
SAMSUNG [S...
-
英文版
LOW VOLTAGE AUDIO AMPLIFIER