FRACTIONAL-N RF/INTEGER-N IF DUAL PLL
S1M8836/37
INTRODUCTION
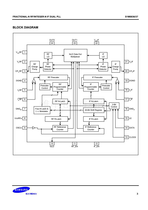
The S1M8836/37 is a Fractional-N frequency synthesizer with integrated
prescalers, designed for RF operation up to
1.0GHz/2.5GHz
and for IF
operation up to 520MHz. The fractional-N synthesizer allows fast-locking, low
phase noise phase-locked loops to be built easily, thus having rapid channel
switching and reducing standby time for extended battery life. The S1M8836/37
based on
危
-
鈭?/div>
fractional-N techniques solves the fractional spur problems in
other fractional-N synthesizers based on charge pump compensation. The
synthesizer also has an additional feature that the PCS/CDMA channel
frequency in steps of 10kHz can be accurately programmed.
24-QFN-3.5脳4.5
The S1M8836/37 contains quadruple-modulus prescalers. The S1M8836 RF
synthesizer adopts an 8/9/12/13 prescaler(16/17/20/21 for the S1M8837) and the IF synthesizer adopts an 8/9
prescaler. Phase detector gain is user-programmable for maximum flexibility to address IS-95 CDMA and
IMT2000. Various program-controlled power down options as well as low supply voltage help the design of
wireless cell phones having minimum power consumption.
Using the Samsung's proprietary digital phase-locked-loop technique, the S1M8836/37 has a linear phase
detector characteristic and can be used for very stable, low noise PLL's. Supply voltage can range from 2.7V to
4.0V. The S1M8836/37 is available in a 24-QFN package.
FEATURES
鈥?/div>
鈥?/div>
鈥?/div>
鈥?/div>
鈥?/div>
High operating frequency dual synthesizer
Operating voltage range : 2.7 to 4.0V
Low current consumption(S1M8836: 5.5mA, S1M8837: 7.5mA)
Selectable power saving mode (Icc = 1uA typical @3V)
Quadruple-modulus prescaler and Fractional-N/Integer-N:
錚?/div>
S1M8836
錚?/div>
S1M8837
錚?/div>
S1M8836/37
鈥?/div>
鈥?/div>
鈥?/div>
鈥?/div>
鈥?/div>
鈥?/div>
鈥?/div>
鈥?/div>
(RF) 8/9/12/13
(RF) 16/17/20/21
(IF) 8/9
Fractional-N
Fractional-N
Integer-N
S1M8836: 250MHz to
1.0GHz(RF)
/ 45MHz to 520MHz(IF)
S1M8837: 500MHz to 2.5GHz(RF) / 45MHz to 520MHz(IF)
Excellent in-band phase noise ( 鈥?85dBc/Hz @ PCS, 鈥?90dBc/Hz @ CDMA)
Improved fractional spurious performance ( < 80dBc )
Frequency resolution (= 10kHz/64 @ f
ref
= 9.84MHz)
Fast channel switching time: <500us
Programmable charge pump output current: from 50碌A(chǔ) to 800碌A(chǔ) in 50碌A(chǔ) steps
Programmability via on-chip serial bus interface
1
next
S1M8837X01-G0T0相關(guān)型號(hào)PDF文件下載
-
型號(hào)
版本
描述
廠商
下載
-
英文版
TX IF/BBA WITH AGC
-
英文版
TX IF/BBA WITH AGC
SAMSUNG [S...
-
英文版
INTERGER RF/IF DUAL PLL
-
英文版
INTERGER RF/IF DUAL PLL
SAMSUNG [S...
-
英文版
INTERGER RF/IF DUAL PLL
-
英文版
INTERGER RF/IF DUAL PLL
SAMSUNG [S...
-
英文版
INTERGER RF/IF DUAL PLL
-
英文版
INTERGER RF/IF DUAL PLL
SAMSUNG [S...
-
英文版
FRACTIONAL-N RF/INTEGER-N IF DUAL PLL
-
英文版
FRACTIONAL-N RF/INTEGER-N IF DUAL PLL
SAMSUNG [S...
-
英文版
FRACTIONAL-N RF/INTEGER-N IF DUAL PLL
-
英文版
FRACTIONAL-N RF/INTEGER-N IF DUAL PLL
SAMSUNG [S...
-
英文版
FRACTIONAL-N RF/INTEGER-N IF DUAL PLL
-
英文版
FRACTIONAL-N RF/INTEGER-N IF DUAL PLL
SAMSUNG [S...
-
英文版
CDMA/AMPS Dual Mode IF/ baseband IC
-
英文版
CDMA/AMPS Dual Mode IF/ baseband IC
SAMSUNG [S...
-
英文版
CDMA/PCS/GPS Triple Mode IF/ baseband IC
-
英文版
CDMA/PCS/GPS Triple Mode IF/ baseband IC
SAMSUNG [S...
-
英文版
FRACTIONAL-N RF/INTEGER-N IF DUAL PLL
-
英文版
FRACTIONAL-N RF/INTEGER-N IF DUAL PLL
SAMSUNG [S...