RX IF/BBA WITH AGC
S1M8656A
INTRODUCTION
48-LQFP-0707
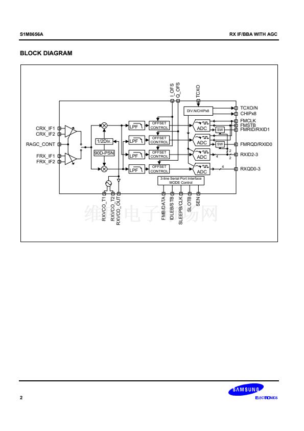
S1M8656A/8657 are CDMA/AMPS Dual Mode IF/ baseband IC which is
divided into three main parts - IF frequency processing, basband
processing , and digital interface. The receiver IC (S1M8656A)and
transmitter IC (S1M8657) are provided as a KIT.
S1M8656A is a receiver IC, installed with a Rx AGC, Baseband
Converter, Baseband analog filter, and A-D Converter. It can send a
digital baseband signal to the digital baseband IC. The S1M8657X01 is a
transmission-only IC, installed with a Tx AGC, IF frequency converter,
analog filter, D-A Converter, PLL, 8-bit A-D Converter for the system
monitor, and 3-input analog switch. It connects the digital baseband IC to
the RF processing. Designed to operate in direction connection with the
MSM, S1M8656A and S1M8657 are fabricated on the Samsung's 0.5um
high-speed, high-frequency BICMOS processing and can achieve
superior high frequency and low power digital operations.
Its operating voltage is 2.7V 鈥?3.6V, and operating temperature
-30擄C 鈥?+85擄C .
48-BCC-7.0
脳
7.0
FEATURES
鈥?/div>
鈥?/div>
鈥?/div>
鈥?/div>
鈥?/div>
鈥?/div>
鈥?/div>
鈥?/div>
鈥?/div>
鈥?/div>
CDMA/AMPS Dual Mode
AGC input signal range : 90dB
QPSK Baseband Converter
Built-in I ,Q Baseband signal extractor LPF
Built-in 4-bit ADC for converting I and Q CDMA analog baseband signals to digital baseband signals
Built-in 8-bit ADC for converting I and Q FM analog baseband signals to digital baseband signals
Adopts the Rx SLOT function to minimize the AMPS Mode consumption power
Built-in VCO for baseband conversion
Built-in Modem PDM control circuit to compensate the I and Q offsets
3-Line Serial Port Interface (SPI)
ORDERING INFORMATION
Device
+ S1M8656A01-E0T0
+ S1M8656A01-F0T0
+ : New product
Package
48-LQFP-0707
48-BCC-7.0脳7.0
Operating Temperature
-30 to +85
擄
C
1
next
S1M8656A01-F0T0相關(guān)型號PDF文件下載
-
型號
版本
描述
廠商
下載
-
英文版
TX IF/BBA WITH AGC
-
英文版
TX IF/BBA WITH AGC
SAMSUNG [S...
-
英文版
INTERGER RF/IF DUAL PLL
-
英文版
INTERGER RF/IF DUAL PLL
SAMSUNG [S...
-
英文版
INTERGER RF/IF DUAL PLL
-
英文版
INTERGER RF/IF DUAL PLL
SAMSUNG [S...
-
英文版
INTERGER RF/IF DUAL PLL
-
英文版
INTERGER RF/IF DUAL PLL
SAMSUNG [S...
-
英文版
FRACTIONAL-N RF/INTEGER-N IF DUAL PLL
-
英文版
FRACTIONAL-N RF/INTEGER-N IF DUAL PLL
SAMSUNG [S...
-
英文版
FRACTIONAL-N RF/INTEGER-N IF DUAL PLL
-
英文版
FRACTIONAL-N RF/INTEGER-N IF DUAL PLL
SAMSUNG [S...
-
英文版
FRACTIONAL-N RF/INTEGER-N IF DUAL PLL
-
英文版
FRACTIONAL-N RF/INTEGER-N IF DUAL PLL
SAMSUNG [S...
-
英文版
CDMA/AMPS Dual Mode IF/ baseband IC
-
英文版
CDMA/AMPS Dual Mode IF/ baseband IC
SAMSUNG [S...
-
英文版
CDMA/PCS/GPS Triple Mode IF/ baseband IC
-
英文版
CDMA/PCS/GPS Triple Mode IF/ baseband IC
SAMSUNG [S...
-
英文版
FRACTIONAL-N RF/INTEGER-N IF DUAL PLL
-
英文版
FRACTIONAL-N RF/INTEGER-N IF DUAL PLL
SAMSUNG [S...